Главная > Подшипники> Роликовые > Игольчатые>AXK1126

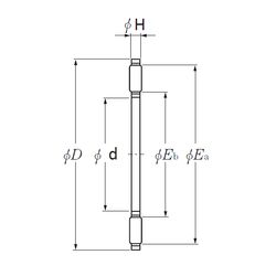
AXK1126 — Игольчатый роликовый упорный подшипник, импортное производство по ISO стандарту, размер 130x170x5 основное исполнение.
Производитель: NTN.
Цена по запросу
Цена на подшипник зависит от:
Габаритные размеры
Размеры и геометрические характеристики
Нагрузка и ресурс
Защита
Конструкция и исполнение
Другие размеры