Главная > Подшипники> Роликовые > Игольчатые>AX 3.5 8 16

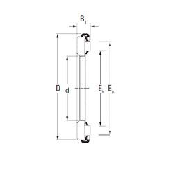
AX 3.5 8 16 — Подшипник игольчатый упорный, импортное производство по ISO стандарту, размер 8x16x3 номер основного исполнения .
Производится брендами: KOYO, TIMKEN.
Цена по запросу
Цена на подшипник зависит от:
Габаритные размеры
Размеры и геометрические характеристики
Нагрузка и ресурс
Защита
Конструкция и исполнение
Другие размеры