Главная > Подшипники> Шарнирные скольжения>ASTEPBF 6065-50

ASTEPBF 6065-50 — импортное производство по ISO стандарту номер основного исполнения .
Производитель: AST.
P = Литой сепаратор из стеклонаполненного полиамида 6,6, центрируемый по телам качения.
Цена по запросу
Цена на подшипник зависит от:
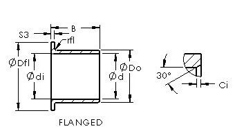
Габаритные размеры
Присоединительные размеры
Конструкция и исполнение
Прочие характеристики
Подшипник игольчатый радиальный К60X65X20Е (МПЗ)
Игольчатый роликоподшипник FWF-606520 (NSK)
Игольчатый роликоподшипник FWF-606527 (NSK)
Игольчатый роликоподшипник FWF-606541W (NSK)
Роликовый игольчатый подшипник K60X65X20H (KOYO, TIMKEN)
Подшипник игольчатый радиальный K60X65X30FH (KOYO, TIMKEN)