Главная > Подшипники> Шарнирные скольжения>ASTEPBF 3236-26

ASTEPBF 3236-26 — импортное производство по ISO стандарту номер основного исполнения .
Производитель: AST.
P = Литой сепаратор из стеклонаполненного полиамида 6,6, центрируемый по телам качения.
Цена по запросу
Цена на подшипник зависит от:
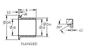
Габаритные размеры
Присоединительные размеры
Конструкция и исполнение
Прочие характеристики
Игольчатый роликоподшипник K35X39X23.8 (NTN)
Игольчатый роликоподшипник K35X39X34ZW (NTN)
Игольчатый роликоподшипник KJ35X39X23.8 (NTN)
Игольчатый роликоподшипник KV35X39X22.3 (NTN)