Главная > Подшипники> Шарнирные скольжения>ASTEPBF 1517-12

ASTEPBF 1517-12 — импортное производство по ISO стандарту номер основного исполнения .
Производитель: AST.
P = Литой сепаратор из стеклонаполненного полиамида 6,6, центрируемый по телам качения.
Цена по запросу
Цена на подшипник зависит от:
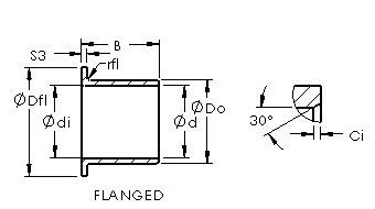
Габаритные размеры
Присоединительные размеры
Конструкция и исполнение
Прочие характеристики