Главная > Подшипники> Шарнирные скольжения>AST50 WC10IB

AST50 WC10IB — Втулки AST50 стальной корпус бронзовый порошок с волокном из ПТФЭ дюймовая серия, импортное производство по ISO стандарту номер основного исполнения .
Производитель: AST.
С1 = Внутренний зазор подшипника меньше С2.
Цена по запросу
Цена на подшипник зависит от:
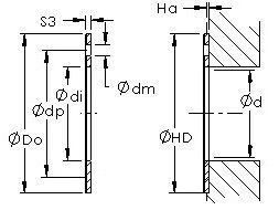
Габаритные размеры
Присоединительные размеры
Конструкция и исполнение
Прочие характеристики