Главная > Подшипники> Шарнирные скольжения>AST50 WC07IB

AST50 WC07IB — Втулки AST50 стальной корпус бронзовый порошок с волокном из ПТФЭ дюймовая серия, импортное производство по ISO стандарту номер основного исполнения .
Производитель: AST.
W = Без кольцевой канавки и смазочных отверстий в наружном кольце.
Цена по запросу
Цена на подшипник зависит от:
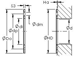
Габаритные размеры
Присоединительные размеры
Конструкция и исполнение
Прочие характеристики