Главная > Подшипники> Шарнирные скольжения>AST50 80IB76

AST50 80IB76 — Втулки AST50 стальной корпус бронзовый порошок с волокном из ПТФЭ дюймовая серия, импортное производство по ISO стандарту номер основного исполнения .
Производитель: AST.
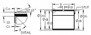
B = однокомпонентное ребристое внутреннее кольцо.
Цена по запросу
Цена на подшипник зависит от:
Габаритные размеры
Присоединительные размеры
Конструкция и исполнение
Прочие характеристики
Втулки AST50 стальной корпус бронзовый порошок с волокном из ПТФЭ дюймовая серия AST50 80IB60 (AST)
Втулки AST50 стальной корпус бронзовый порошок с волокном из ПТФЭ дюймовая серия AST50 80IB32 (AST)