Главная > Подшипники> Шарнирные скольжения>AST50 60IB56

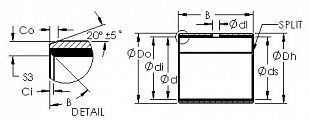
AST50 60IB56 — Втулки AST50 стальной корпус бронзовый порошок с волокном из ПТФЭ дюймовая серия, импортное производство по ISO стандарту номер основного исполнения .
Производитель: AST.
B = однокомпонентное ребристое внутреннее кольцо.
Цена по запросу
Цена на подшипник зависит от:
Габаритные размеры
Присоединительные размеры
Конструкция и исполнение
Прочие характеристики
Втулки AST50 стальной корпус бронзовый порошок с волокном из ПТФЭ дюймовая серия AST50 60IB32 (AST)
Втулки AST50 стальной корпус бронзовый порошок с волокном из ПТФЭ дюймовая серия AST50 60IB60 (AST)
Втулки AST50 стальной корпус бронзовый порошок с волокном из ПТФЭ дюймовая серия AST50 60IB48 (AST)
Втулки AST50 стальной корпус бронзовый порошок с волокном из ПТФЭ дюймовая серия AST50 60IB40 (AST)
Втулки AST50 стальной корпус бронзовый порошок с волокном из ПТФЭ дюймовая серия AST50 60IB36 (AST)
Втулки AST50 стальной корпус бронзовый порошок с волокном из ПТФЭ дюймовая серия AST50 60IB64 (AST)