Главная > Подшипники> Шарнирные скольжения>AST50 56IB64

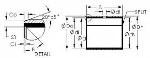
AST50 56IB64 — Втулки AST50 стальной корпус бронзовый порошок с волокном из ПТФЭ дюймовая серия, импортное производство по ISO стандарту номер основного исполнения .
Производитель: AST.
B = однокомпонентное ребристое внутреннее кольцо.
Цена по запросу
Цена на подшипник зависит от:
Габаритные размеры
Присоединительные размеры
Конструкция и исполнение
Прочие характеристики
Втулки AST50 стальной корпус бронзовый порошок с волокном из ПТФЭ дюймовая серия AST50 56IB40 (AST)
Втулки AST50 стальной корпус бронзовый порошок с волокном из ПТФЭ дюймовая серия AST50 56IB36 (AST)
Втулки AST50 стальной корпус бронзовый порошок с волокном из ПТФЭ дюймовая серия AST50 56IB72 (AST)
Втулки AST50 стальной корпус бронзовый порошок с волокном из ПТФЭ дюймовая серия AST50 56IB32 (AST)
Втулки AST50 стальной корпус бронзовый порошок с волокном из ПТФЭ дюймовая серия AST50 56IB76 (AST)
Втулки AST50 стальной корпус бронзовый порошок с волокном из ПТФЭ дюймовая серия AST50 56IB60 (AST)