Главная > Подшипники> Шарнирные скольжения>AST50 32IB24

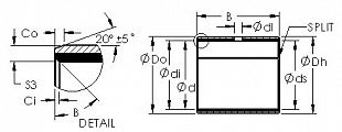
AST50 32IB24 — Втулки AST50 стальной корпус бронзовый порошок с волокном из ПТФЭ дюймовая серия, импортное производство по ISO стандарту номер основного исполнения .
Производитель: AST.
B = однокомпонентное ребристое внутреннее кольцо.
Цена по запросу
Цена на подшипник зависит от:
Габаритные размеры
Присоединительные размеры
Конструкция и исполнение
Прочие характеристики
Втулки AST50 стальной корпус бронзовый порошок с волокном из ПТФЭ дюймовая серия AST50 32IB16 (AST)
Втулки AST50 стальной корпус бронзовый порошок с волокном из ПТФЭ дюймовая серия AST50 32IB40 (AST)
Втулки AST50 стальной корпус бронзовый порошок с волокном из ПТФЭ дюймовая серия AST50 32IB28 (AST)
Втулки AST50 стальной корпус бронзовый порошок с волокном из ПТФЭ дюймовая серия AST50 32IB32 (AST)