Главная > Подшипники> Шарнирные скольжения>AST50 108IB56

AST50 108IB56 — Втулки AST50 стальной корпус бронзовый порошок с волокном из ПТФЭ дюймовая серия, импортное производство по ISO стандарту номер основного исполнения .
Производитель: AST.
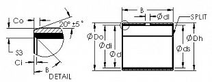
B = однокомпонентное ребристое внутреннее кольцо.
Цена по запросу
Цена на подшипник зависит от:
Габаритные размеры
Присоединительные размеры
Конструкция и исполнение
Прочие характеристики