Главная > Подшипники> Шарнирные скольжения>AST50 08IB10

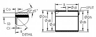
AST50 08IB10 — Втулки AST50 стальной корпус бронзовый порошок с волокном из ПТФЭ дюймовая серия, импортное производство по ISO стандарту номер основного исполнения .
Производитель: AST.
B = однокомпонентное ребристое внутреннее кольцо.
Цена по запросу
Цена на подшипник зависит от:
Габаритные размеры
Присоединительные размеры
Конструкция и исполнение
Прочие характеристики
Подшипник игольчатый радиальный К12X16X13Е (МПЗ)
Подшипник игольчатый радиальный КAК12X16X13Д (МПЗ)
Подшипник игольчатый радиальный КAК12X16X16Д (МПЗ)
Подшипник игольчатый радиальный 12VS1610P-1 (KOYO)
Подшипник игольчатый радиальный 12UR1616P (KOYO)
Игольчатый роликоподшипник FBN-121613-E (NSK)