Главная > Подшипники> Шарнирные скольжения>AST40 WC32

AST40 WC32 — импортное производство по ISO стандарту номер основного исполнения .
Производитель: AST.
W = Без кольцевой канавки и смазочных отверстий в наружном кольце. C3 = Радиальный внутренний зазор больше, чем обычно.
Цена по запросу
Цена на подшипник зависит от:
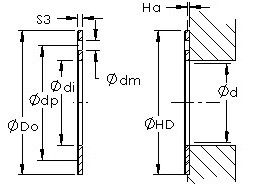
Габаритные размеры
Присоединительные размеры
Конструкция и исполнение
Прочие характеристики