Главная > Подшипники> Шарнирные скольжения>AST40 WC22

AST40 WC22 — импортное производство по ISO стандарту номер основного исполнения .
Производитель: AST.
C2 = Радиальный внутренний зазор меньше нормального.
Цена по запросу
Цена на подшипник зависит от:
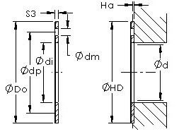
Габаритные размеры
Присоединительные размеры
Конструкция и исполнение
Прочие характеристики
Подшипник роликовый упорный 9104K1 (EPK)
Подшипник роликовый цилиндрический двухрядный TRU 203825 (IKO)
Цилиндрический роликоподшипник TRU 203825UU (IKO)
Подшипник роликовый цилиндрический двухрядный TRU 203820 (IKO)
Цилиндрический роликоподшипник TRU 203820UU (IKO)