Главная > Подшипники> Шарнирные скольжения>AST40 WC12

AST40 WC12 — импортное производство по ISO стандарту номер основного исполнения .
Производитель: AST.
С1 = Внутренний зазор подшипника меньше С2.
Цена по запросу
Цена на подшипник зависит от:
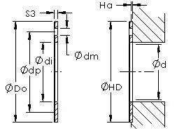
Габаритные размеры
Присоединительные размеры
Конструкция и исполнение
Прочие характеристики
Подшипник шариковый упорный 2-8100 (ГПЗ-2)
Подшипник упорный шариковый одинарный 5-8100 К (ГПЗ-2)
Подшипник шариковый упорный 8100 С (ГПЗ-2)
Подшипник упорный шариковый одинарный 8100 Т2 (ГПЗ-2)
Подшипник шариковый упорный 8100 К (ГПЗ-20)
Подшипник упорный шариковый одинарный 8100 Ю (ГПЗ-2)