Главная > Подшипники> Шарнирные скольжения>AST40 4050

AST40 4050 — импортное производство по ISO стандарту номер основного исполнения .
Производитель: AST.
Цена по запросу
Цена на подшипник зависит от:
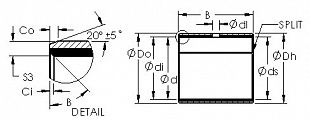
Габаритные размеры
Присоединительные размеры
Конструкция и исполнение
Прочие характеристики
Игольчатый роликоподшипник K40X44X34.6ZW (NTN)
Игольчатый роликоподшипник KV40X44X22.8 (NTN)