Главная > Подшипники> Шарнирные скольжения>AST40 1310

AST40 1310 — импортное производство по ISO стандарту номер основного исполнения .
Производитель: AST.
Цена по запросу
Цена на подшипник зависит от:
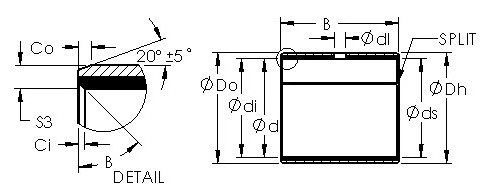
Габаритные размеры
Присоединительные размеры
Конструкция и исполнение
Прочие характеристики