Главная > Подшипники> Шарнирные скольжения>AST20 WC32IB

AST20 WC32IB — Втулки AST20 в стальном корпусе с пластиковым вкладышем POM дюймовая серия, импортное производство по ISO стандарту номер основного исполнения .
Производитель: AST.
W = Без кольцевой канавки и смазочных отверстий в наружном кольце. C3 = Радиальный внутренний зазор больше, чем обычно.
Цена по запросу
Цена на подшипник зависит от:
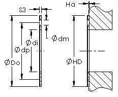
Габаритные размеры
Присоединительные размеры
Конструкция и исполнение
Прочие характеристики