Главная > Подшипники> Шарнирные скольжения>AST20 WC22IB

AST20 WC22IB — Втулки AST20 в стальном корпусе с пластиковым вкладышем POM дюймовая серия, импортное производство по ISO стандарту номер основного исполнения .
Производитель: AST.
C2 = Радиальный внутренний зазор меньше нормального.
Цена по запросу
Цена на подшипник зависит от:
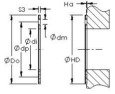
Габаритные размеры
Присоединительные размеры
Конструкция и исполнение
Прочие характеристики