Главная > Подшипники> Шарнирные скольжения>AST20 WC13IB

AST20 WC13IB — Втулки AST20 в стальном корпусе с пластиковым вкладышем POM дюймовая серия, импортное производство по ISO стандарту номер основного исполнения .
Производитель: AST.
С1 = Внутренний зазор подшипника меньше С2.
Цена по запросу
Цена на подшипник зависит от:
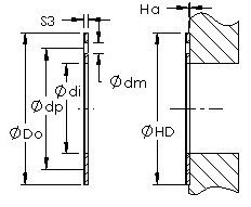
Габаритные размеры
Присоединительные размеры
Конструкция и исполнение
Прочие характеристики