Главная > Подшипники> Шарнирные скольжения>AST11 WC52

AST11 WC52 — импортное производство по ISO стандарту номер основного исполнения .
Производитель: AST.
C5 = Радиальный внутренний зазор больше C4.
Цена по запросу
Цена на подшипник зависит от:
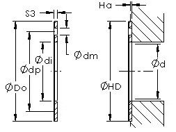
Габаритные размеры
Присоединительные размеры
Конструкция и исполнение
Прочие характеристики
Подшипник шариковый упорный 18210 К (ГПЗ-2)
Подшипник шариковый упорный В0-8210 (ГПЗ-20)
Подшипник шариковый упорный В0-8210 К (ГПЗ-20)
Подшипник роликовый упорный 119710 (ГПЗ-4)
Подшипник роликовый упорный 29910К
Подшипник упорный с короткими цилиндрическими роликами однорядный без колец 999210