Главная > Подшипники> Шарнирные скольжения>AST11 WC48

AST11 WC48 — импортное производство по ISO стандарту номер основного исполнения .
Производитель: AST.
C4 = Радиальный внутренний зазор больше C3.
Цена по запросу
Цена на подшипник зависит от:
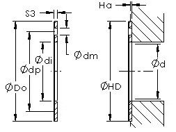
Габаритные размеры
Присоединительные размеры
Конструкция и исполнение
Прочие характеристики