Главная > Подшипники> Шарнирные скольжения>AST11 WC42

AST11 WC42 — импортное производство по ISO стандарту номер основного исполнения .
Производитель: AST.
C4 = Радиальный внутренний зазор больше C3.
Цена по запросу
Цена на подшипник зависит от:
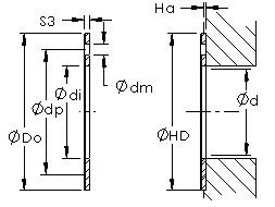
Габаритные размеры
Присоединительные размеры
Конструкция и исполнение
Прочие характеристики
Радиальный шарикоподшипник PC40660024CS (PFI)