Главная > Подшипники> Шарнирные скольжения>AST11 6540

AST11 6540 — импортное производство по ISO стандарту номер основного исполнения .
Производитель: AST.
Цена по запросу
Цена на подшипник зависит от:
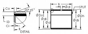
Габаритные размеры
Присоединительные размеры
Конструкция и исполнение
Прочие характеристики
Игольчатый роликоподшипник GK65X70X49.1XZW (NTN)
Игольчатый роликоподшипник FBN-657020 (NSK)
Игольчатый роликоподшипник FWF-657030 (NSK)
Игольчатый роликоподшипник GK65X70X62.3XZW (NTN)
Роликовый игольчатый подшипник K65X70X20CH (KOYO, TIMKEN)
Роликовый игольчатый подшипник K65X70X20F (TIMKEN)