Главная > Подшипники> Шарнирные скольжения>AST11 5550

AST11 5550 — импортное производство по ISO стандарту номер основного исполнения .
Производитель: AST.
Цена по запросу
Цена на подшипник зависит от:
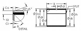
Габаритные размеры
Присоединительные размеры
Конструкция и исполнение
Прочие характеристики
Цилиндрический роликоподшипник NN3011ZTB (NSK)
Цилиндрический роликоподшипник NN3011ZTBKR (NSK)
Игольчатый роликоподшипник FWF-556030 (NSK)
Игольчатый роликоподшипник FWF-556020 (NSK)
Игольчатый роликоподшипник FWF-556027 (NSK)
Роликовый игольчатый подшипник K55X60X27H (KOYO, TIMKEN)