Главная > Подшипники> Шарнирные скольжения>AST11 5040

AST11 5040 — импортное производство по ISO стандарту номер основного исполнения .
Производитель: AST.
Цена по запросу
Цена на подшипник зависит от:
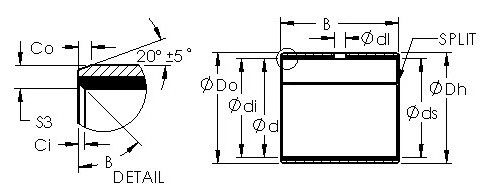
Габаритные размеры
Присоединительные размеры
Конструкция и исполнение
Прочие характеристики
Игольчатый роликоподшипник FWF-505530 (NSK)
Игольчатый роликоподшипник FWF-505527 (NSK)
Игольчатый роликоподшипник FWF-505520 (NSK)
Роликовый игольчатый подшипник K50X55X20H (KOYO, TIMKEN)
Роликовый игольчатый подшипник K50X55X17H (KOYO, TIMKEN)
Роликовый игольчатый подшипник KT 505527 (IKO)