Главная > Подшипники> Шарнирные скольжения>AST11 4550

AST11 4550 — импортное производство по ISO стандарту номер основного исполнения .
Производитель: AST.
Цена по запросу
Цена на подшипник зависит от:
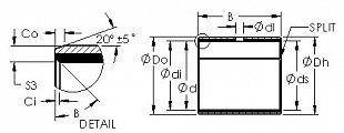
Габаритные размеры
Присоединительные размеры
Конструкция и исполнение
Прочие характеристики
Игольчатый роликоподшипник FWF-455027 (NSK)
Игольчатый роликоподшипник FWF-455017 (NSK)
Игольчатый роликоподшипник GK45X50X27S (NTN)
Роликовый игольчатый подшипник K45X50X13H (KOYO, TIMKEN)
Роликовый игольчатый подшипник K45X50X20F (KOYO, TIMKEN)
Роликовый игольчатый подшипник K45X50X17H (KOYO, TIMKEN)