Главная > Подшипники> Шарнирные скольжения>AST11 3240

AST11 3240 — импортное производство по ISO стандарту номер основного исполнения .
Производитель: AST.
Цена по запросу
Цена на подшипник зависит от:
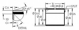
Габаритные размеры
Присоединительные размеры
Конструкция и исполнение
Прочие характеристики
Игольчатый роликоподшипник FBN-323629WA (NSK)
Игольчатый роликоподшипник GK32X36X29.8 (NTN)
Игольчатый роликоподшипник KJ32X36X25.7 (NTN)