Главная > Подшипники> Шарнирные скольжения>AST11 2840

AST11 2840 — импортное производство по ISO стандарту номер основного исполнения .
Производитель: AST.
Цена по запросу
Цена на подшипник зависит от:
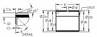
Габаритные размеры
Присоединительные размеры
Конструкция и исполнение
Прочие характеристики
Подшипник игольчатый радиальный K283213PCSP (KBC)
Игольчатый роликоподшипник K28X32X26.8 (NTN)
Игольчатый роликоподшипник KJ28.1X32.1X23.8 (NTN)
Подшипник игольчатый радиальный RF283227 (KOYO)
Радиально-упорный шарикоподшипник F28BVV10-M4A (NACHI)
Радиально-упорный шарикоподшипник F28BVV10-M3 (NACHI)