Главная > Подшипники> Шарнирные скольжения>AST11 1420

AST11 1420 — импортное производство по ISO стандарту номер основного исполнения .
Производитель: AST.
Цена по запросу
Цена на подшипник зависит от:
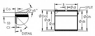
Габаритные размеры
Присоединительные размеры
Конструкция и исполнение
Прочие характеристики
Втулки AST20 в стальном корпусе с пластиковым вкладышем POM дюймовая серия AST20 09IB08 (AST)
Втулки AST20 в стальном корпусе с пластиковым вкладышем POM дюймовая серия AST20 09IB12 (AST)