Главная > Подшипники> Роликовые > Радиальные сферические>ASR10-3A

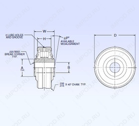
ASR10-3A — Сферический роликоподшипник, импортное производство по ISO стандарту, размер 15x9x8 номер основного исполнения .
Производитель: NMB.
A = внутренняя модификация конструкции.
Цена по запросу
Цена на подшипник зависит от:
Габаритные размеры
Размеры и геометрические характеристики
Защита
Присоединительные размеры
Конструкция и исполнение
Другие размеры