Главная > Подшипники> Шариковые> Радиально-упорные>ALS 40 ABM

ALS 40 ABM — Подшипник шариковый однорядный радиально-упорный, импортное производство по ISO стандарту, размер 228x127x34 номер основного исполнения .
Производитель: SKF.
B = 40 градусов угол контакта. M = обработанный латунный сепаратор, расположенныйна элементах качения.
Цена по запросу
Цена на подшипник зависит от:
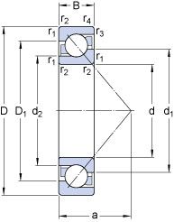
Габаритные размеры
Размеры и геометрические характеристики
Нагрузка и ресурс
Коэффициенты для расчета
Присоединительные размеры
Прочие характеристики