Главная > Подшипники> Шариковые> Радиально-упорные>ALS 28 ABP

ALS 28 ABP — Подшипник шариковый однорядный радиально-упорный, импортное производство по ISO стандарту, размер 165x88x28 номер основного исполнения .
Производитель: SKF.
P = Литой сепаратор из стеклонаполненного полиамида 6,6, центрируемый по телам качения.
Цена по запросу
Цена на подшипник зависит от:
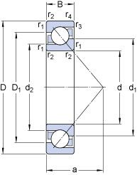
Габаритные размеры
Размеры и геометрические характеристики
Нагрузка и ресурс
Коэффициенты для расчета
Присоединительные размеры
Прочие характеристики