Главная > Подшипники>AC5438B

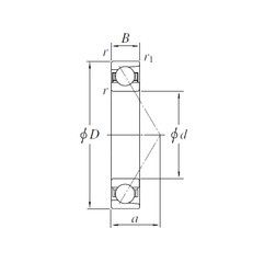
AC5438B — Радиально-упорный шарикоподшипник, импортное производство по ISO стандарту, размер 270x379x46 номер основного исполнения .
Производитель: KOYO.
B = однокомпонентное ребристое внутреннее кольцо.
Цена по запросу
Цена на подшипник зависит от:
Габаритные размеры
Размеры и геометрические характеристики
Нагрузка и ресурс
Защита
Присоединительные размеры
Конструкция и исполнение