Главная > Подшипники> Шариковые> Радиально-упорные>AC5238B

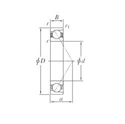
AC5238B — Радиально-упорный шарикоподшипник, импортное производство по ISO стандарту, размер 260x379x56 номер основного исполнения .
Производитель: KOYO.
B = однокомпонентное ребристое внутреннее кольцо.
Цена по запросу
Цена на подшипник зависит от:
Габаритные размеры
Размеры и геометрические характеристики
Нагрузка и ресурс
Защита
Присоединительные размеры
Конструкция и исполнение
Радиальный шарикоподшипник SB5238 (KOYO)
Радиальный шарикоподшипник SC5206 (NTN)
Радиально-упорный шарикоподшипник SF5218 (NTN)