Главная > Подшипники> Шариковые> Радиально-упорные>AC5034B

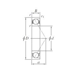
AC5034B — Радиально-упорный шарикоподшипник, импортное производство по ISO стандарту, размер 250x340x35 номер основного исполнения .
Производитель: KOYO.
B = однокомпонентное ребристое внутреннее кольцо.
Цена по запросу
Цена на подшипник зависит от:
Габаритные размеры
Размеры и геометрические характеристики
Нагрузка и ресурс
Защита
Присоединительные размеры
Конструкция и исполнение