Главная > Подшипники>AC443138B

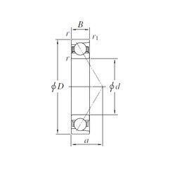
AC443138B — Радиально-упорный шарикоподшипник, импортное производство по ISO стандарту, размер 220x309x38 номер основного исполнения .
Производитель: KOYO.
B = однокомпонентное ребристое внутреннее кольцо.
Цена по запросу
Цена на подшипник зависит от:
Габаритные размеры
Размеры и геометрические характеристики
Нагрузка и ресурс
Защита
Присоединительные размеры
Конструкция и исполнение
Радиальный шарикоподшипник SC4401 (NTN)
Радиально-упорный шарикоподшипник SF4433 (NTN)
Радиально-упорный шарикоподшипник SF4421 (NTN)