Главная > Подшипники>AC4029B

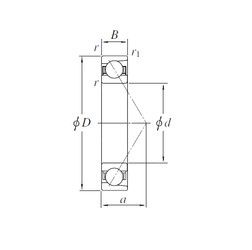
AC4029B — Радиально-упорный шарикоподшипник, импортное производство по ISO стандарту, размер 200x289x38 номер основного исполнения .
Производитель: KOYO.
B = однокомпонентное ребристое внутреннее кольцо.
Цена по запросу
Цена на подшипник зависит от:
Габаритные размеры
Размеры и геометрические характеристики
Нагрузка и ресурс
Защита
Присоединительные размеры
Конструкция и исполнение
Радиальный шарикоподшипник 6940/2895 (NTN)
Радиально-упорный шарикоподшипник SF4017 (NTN)