Главная > Подшипники>AC3626B

AC3626B — Радиально-упорный шарикоподшипник, импортное производство по ISO стандарту, размер 180x259x33 номер основного исполнения AC3626.
Производитель: KOYO.
B = однокомпонентное ребристое внутреннее кольцо.
Цена по запросу
Цена на подшипник зависит от:
| Обозначение | Модификация |
|---|---|
| AC3626 | Основное конструктивное исполнение. |
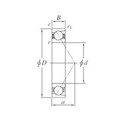
Габаритные размеры
Размеры и геометрические характеристики
Нагрузка и ресурс
Защита
Присоединительные размеры
Конструкция и исполнение
Радиальный шарикоподшипник 6936/2595 (NTN)
Радиально-упорный шарикоподшипник SF3629 (NTN)
Радиально-упорный шарикоподшипник SF3618 (NTN)
Радиально-упорный шарикоподшипник SF3641 (NTN)
Радиально-упорный шарикоподшипник SF3639 (NTN)