Главная > Подшипники>AC3524B

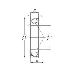
AC3524B — Радиально-упорный шарикоподшипник, импортное производство по ISO стандарту, размер 175x235x30 номер основного исполнения .
Производитель: KOYO.
B = однокомпонентное ребристое внутреннее кольцо.
Цена по запросу
Цена на подшипник зависит от:
Габаритные размеры
Размеры и геометрические характеристики
Нагрузка и ресурс
Защита
Присоединительные размеры
Конструкция и исполнение