Главная > Подшипники>AC342538B

AC342538B — Радиально-упорный шарикоподшипник, импортное производство по ISO стандарту, размер 170x249x38 номер основного исполнения AC342538.
Производитель: KOYO.
B = однокомпонентное ребристое внутреннее кольцо.
Цена по запросу
Цена на подшипник зависит от:
| Обозначение | Модификация |
|---|---|
| AC342538 | Основное конструктивное исполнение. |
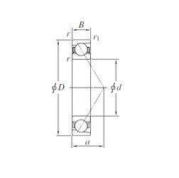
Габаритные размеры
Размеры и геометрические характеристики
Нагрузка и ресурс
Защита
Присоединительные размеры
Конструкция и исполнение