Главная > Подшипники> Шариковые> Радиально-упорные>AC3222B

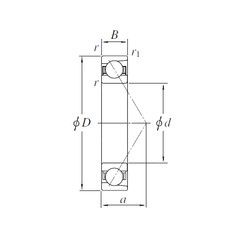
AC3222B — Радиально-упорный шарикоподшипник, импортное производство по ISO стандарту, размер 160x215x28 номер основного исполнения .
Производитель: KOYO.
B = однокомпонентное ребристое внутреннее кольцо.
Цена по запросу
Цена на подшипник зависит от:
Габаритные размеры
Размеры и геометрические характеристики
Нагрузка и ресурс
Защита
Присоединительные размеры
Конструкция и исполнение