Главная > Подшипники> Роликовые > Радиально-упорные>A4059/A4138

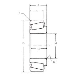
A4059/A4138 — Однорядный конический роликовый подшипник, импортное производство по ISO стандарту, размер 34x14x10 номер основного исполнения .
Производится брендами: FBJ, KOYO, NIS, NSK, SKF, TIMKEN.
A = внутренняя модификация конструкции.
Цена от:701 р.
Цена на подшипник зависит от:
Габаритные размеры
Размеры и геометрические характеристики
Нагрузка и ресурс
Защита
Коэффициенты для расчета
Присоединительные размеры
Конструкция и исполнение
Прочие характеристики