Главная > Подшипники> Роликовые > Радиально-упорные>A4044/A4138

A4044/A4138 — Однорядный конический роликовый подшипник, импортное производство по ISO стандарту, размер 11x34x10 номер основного исполнения .
Производится брендами: KOYO, TIMKEN.
A = внутренняя модификация конструкции.
Цена по запросу
Цена на подшипник зависит от:
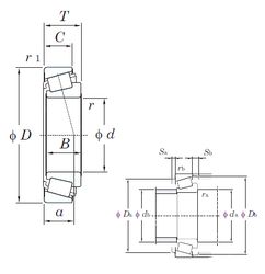
Габаритные размеры
Размеры и геометрические характеристики
Нагрузка и ресурс
Защита
Коэффициенты для расчета
Присоединительные размеры
Конструкция и исполнение