Главная > Подшипники> Роликовые > Радиально-упорные>A2043/A2126

A2043/A2126 — Подшипник роликовый радиально-упорный, импортное производство по ISO стандарту, размер 11x298x14 номер основного исполнения 2043.
Производитель: KOYO.
A = внутренняя модификация конструкции.
Цена по запросу
Цена на подшипник зависит от:
| Обозначение | Модификация |
|---|---|
| 2043 | Основное конструктивное исполнение. |
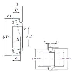
Габаритные размеры
Размеры и геометрические характеристики
Нагрузка и ресурс
Защита
Коэффициенты для расчета
Присоединительные размеры
Конструкция и исполнение