Главная > Подшипники> Роликовые > Игольчатые>9MKM1312

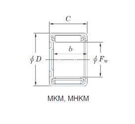
9MKM1312 — Подшипник игольчатый радиальный, импортное производство по ISO стандарту, размер 9x13x12 номер основного исполнения .
Производитель: KOYO.
M = массивный латунный сепаратор.
Цена по запросу
Цена на подшипник зависит от:
Габаритные размеры
Размеры и геометрические характеристики
Нагрузка и ресурс
Защита
Конструкция и исполнение
Другие размеры
Подшипник роликовый игольчатый с наружным кольцом с плоским дном с сепаратором ВК091312
Подшипник роликовый игольчатый с наружным кольцом с профилированным дном без сепаратора НД091312
Подшипник роликовый игольчатый с наружным кольцом со сквозным отверстием без сепаратора НК091312
Подшипник роликовый игольчатый с наружным кольцом с профилированным дном без сепаратора СК091312
Роликовый игольчатый подшипник BK0912 (CX, INA, ISO, KOYO, NBS)
Подшипник игольчатый радиальный 9BTM1312 (KOYO)