Главная > Подшипники> Роликовые > Игольчатые>9MKM1310

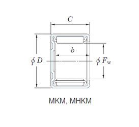
9MKM1310 — Подшипник игольчатый радиальный, импортное производство по ISO стандарту, размер 9x13x10 номер основного исполнения .
Производитель: KOYO.
M = массивный латунный сепаратор.
Цена по запросу
Цена на подшипник зависит от:
Габаритные размеры
Размеры и геометрические характеристики
Нагрузка и ресурс
Защита
Конструкция и исполнение
Другие размеры
Подшипник роликовый игольчатый с наружным кольцом с плоским дном с сепаратором ВК091310
Подшипник роликовый игольчатый с наружным кольцом с профилированным дном без сепаратора НД091310
Подшипник роликовый игольчатый с наружным кольцом со сквозным отверстием без сепаратора НК091310
Подшипник роликовый игольчатый с наружным кольцом с профилированным дном без сепаратора СК091310
Подшипник игольчатый радиальный 9BM1310 (KOYO)
Подшипник игольчатый радиальный 9BTM1310A (KOYO)