Главная > Подшипники> Роликовые > Радиально-упорные>98350/98788

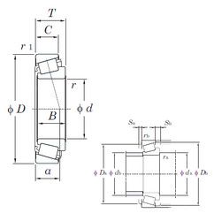
98350/98788 — Однорядный конический роликовый подшипник, импортное производство по ISO стандарту, размер 88x200x52 номер основного исполнения .
Производится брендами: CX, ISO, KOYO, NACHI, TIMKEN.
Цена по запросу
Цена на подшипник зависит от:
Габаритные размеры
Размеры и геометрические характеристики
Нагрузка и ресурс
Защита
Коэффициенты для расчета
Присоединительные размеры
Конструкция и исполнение