Главная > Подшипники> Шариковые> Радиально-упорные>95TAH10DB

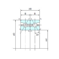
95TAH10DB — Радиально-упорный шарикоподшипник, импортное производство по ISO стандарту, размер 95x145x22 номер основного исполнения .
Производитель: NACHI.
D = профиль наружного кольца, усовершенствованный, с увеличенной зоной несущей нагрузки и оптимизированными краевыми переходами.
Цена по запросу
Цена на подшипник зависит от:
Габаритные размеры
Размеры и геометрические характеристики
Нагрузка и ресурс
Защита
Конструкция и исполнение
Радиально-упорный шарикоподшипник 95BAR10H (NSK)
Радиально-упорный шарикоподшипник 95BAR10S (NSK)
Радиально-упорный шарикоподшипник 95BTR10H (NSK)
Радиально-упорный шарикоподшипник 95BTR10S (NSK)
Радиально-упорный шарикоподшипник 95TBH10DB (NACHI)
Сверхточный двухнаправленный радиально-упорный шарикоподшипник BTM 95 BTN9/P4CDB (SKF)